您現在所在位置:大田閥門 >> 襯膠閥門(襯里閥門)
襯夾襯膠蝶閥的蝶板安裝于管道的直徑方向。在蝶閥閥體圓柱形通道內,圓盤形蝶板繞著閥桿軸線旋轉,旋轉角度為0°~90°之間,旋轉到90°時,閥門處于全開狀態。 本類閥門在管道中一般應當水平安裝。
設計與制造:GB12238
結構長度:GB12221(20系列)
法蘭連接尺寸:GB4216
| 密封圈材料代號 | 適用 溫度 |
適用 介質 |
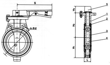
部件列表:1.閥體 2.閥體襯里 3.隔膜 4.閥瓣 5.閥桿 6.閥蓋 7、手輪![]() |
|---|---|---|---|
| NR | ≤85℃ | 水、空氣、酸堿類 | |
| CR | ≤85℃ | 水、煤氣、酸堿類 | |
| NBR | ≤100℃ | 水、油品 | |
| EPDM | ≤120℃ | 水、蒸汽、一般酸堿類 | |
| FKM | ≤150℃ | 水、蒸汽、強酸堿類 |
| 閥體 | 鑄鐵、球墨鑄鐵、碳鋼、不銹鋼 |
|---|---|
| 蝶板 | 鑄鐵、球墨鑄鐵、碳鋼、不銹鋼、碳鋼完全包覆橡膠或氟塑料 |
| 閥桿 | 碳鋼鍍鎳磷、不銹鋼 |
| 閥座密封圈 | 天然膠NR、氯丁膠CR、丁腈膠NBR、三元乙丙膠EPDM、氟橡膠FKM |
| 手柄 | 鋁合金、碳鋼 |
壓力等級:PN(MPa) 1.0 1.6
襯里層:電火花檢測
試驗與檢驗按GB/T13927標準
公稱壓力:PN(MPa)
閥體:PN×1.5
密封:PN×1.1
| 公稱通徑 DN |
公稱壓力 MPa |
工作壓力 MPa |
L mm |
D mm |
D1 mm |
n-Φd mm |
H1 mm |
H2 mm |
S mm |
H3 mm |
質量 Kg/kilos |
|---|---|---|---|---|---|---|---|---|---|---|---|
| 40 | 1.6 1.0 |
1.6 1.0 |
33 | 150 | 110 | 4-18 | 55 | 100 | 235 | 27 | 2 |
| 50 | 43 | 165 | 125 | 4-18 | 64 | 120 | 235 | 27 | 2.5 | ||
| 65 | 46 | 185 | 145 | 4-18 | 80 | 120 | 235 | 27 | 4.5 | ||
| 80 | 46 | 200 | 160 | 8-18 | 112 | 130 | 265 | 27 | 5.5 | ||
| 100 | 52 | 220 | 180 | 8-18 | 90 | 145 | 265 | 27 | 6.5 | ||
| 125 | 56 | 250 | 210 | 8-18 | 112 | 160 | 365 | 32 | 11.5 | ||
| 150 | 56 | 285 | 240 | 8-22 | 135 | 175 | 365 | 32 | 13.5 |
溫馨提示:
本文中所有文字、數據、圖片均只適用于參考。需要查看更多的D71X(半襯)、D71J、D71H/Fs(全襯)襯夾襯膠蝶閥性能參數、結構尺寸參數、價格等詳情,或要求印刷樣本,請聯系我們。
主營產品:氣動調節閥 - 電動調節閥 - 自力式調節閥
版版權所有 © 上海大田閥門管道工程有限公司
地址:上海市浦東新區川宏路528號宏圖大樓5樓

